Ежедневно 10:00 - 22:00

ARDUINO NORILSK
интернет-магазин радиотоваров и инструментовМаксимальное постоянное обратное напряжение:
800V
Максимальное напряжение в закрытом состоянии:
800V
Максимально допустимы ток в открытом состоянии:
16A
Ударный ток в открытом состоянии:
160A
Отпирающий постоянный ток управления:
50mA
Отпирающее постоянное напряжение управления:
1.5V
Ток удержания:
60mA
Макс. повторяющееся импульсное напр. в закрытом состоянии:
800V
Макс. среднее за период значение тока в открытом состоянии:
16A
Макс. кратковременный импульсный ток в открытом состоянии:
160A
Макс. напр. в открытом состоянии:
1.5V
Наименьший ток управления, необходимый для включения тиристора:
0.05A
Критическая скорость нарастания напряжения в закрытом состоянии:
10uS
Критическая скорость нарастания тока в открытом состоянии:
10uS
Время включения:
2uS
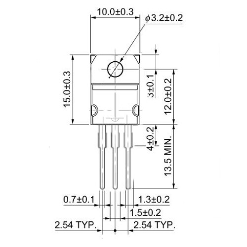
Типоразмер:
TO-220AB / SOT-78
Симистор (или TRIAC) — это полупроводниковый прибор, который можно рассматривать как управляемый выключатель для переменного тока. Он состоит из двух встречно-параллельно соединенных тиристоров и способен пропускать ток в обоих направлениях. Симисторы используются для управления и плавного регулирования мощности в различных устройствах, например, в диммерах, электроинструментах, стиральных машинах и системах кондиционирования.
К предыдущему товару
К следующему товару
Этот сайт использует cookie для хранения данных. Продолжая работу с сайтом, вы даете свое согласие на работу с этими файлами.
Согласен